关于我们
产品展示
行业资讯
联系我们
首页
>
产品展示
>
波纹管机械密封
>
波纹管机械密封
产品信息
使用说明书
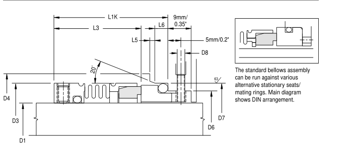
产品名: GL1B波纹管机械密封
*型号说明 GL1B符合AP1610标准 *结构特性 耐高温,耐腐蚀,耐高压,
联系电话:13348118963陈经理
*型号说明
GL1B符合AP1610标准
*结构特性
耐高温,耐腐蚀,耐高压,耐磨
碳化硅轴套可根据不同的工况条件需要选择不同的材料和结构。
*参数范围
适用压力:12kg/cm²
温度:-60℃~230℃
线速度:23m/Sec
点击附件
可以看到使用说明书
下载使用说明书
→
波纹管机械密封
泵用机械密封
釜用机械密封
集装式机械密封
波纹管机械密封
磁流体密封
干气密封
泵厂配套机封
压力筛机械密封